Produktai
PRADŽIA > Produktai
JDZX9-35D/290 įtampos transformatorius
  • JDZX9-35D/290 įtampos transformatoriusJDZX9-35D/290 įtampos transformatorius
  • JDZX9-35D/290 įtampos transformatoriusJDZX9-35D/290 įtampos transformatorius
  • JDZX9-35D/290 įtampos transformatoriusJDZX9-35D/290 įtampos transformatorius

JDZX9-35D/290 įtampos transformatorius

„Comewill“, profesionalus įtampos transformatorių gamintojas Kinijoje, išdidžiai pristato JDZX9-35D/290 įtampos transformatorių, sukurtą stabiliam ir tiksliam veikimui 35 kV maitinimo sistemose.

Sukurtas su epoksidinės dervos liejimo izoliacija ir visiškai uždara lauko konstrukcija, Comewill gamyklos kokybiškas JDZX9-35D/290 įtampos transformatorius užtikrina aukštą tikslumą, tvirtą patvarumą ir ilgalaikį patikimumą. Jis plačiai naudojamas energijos apskaitai, įtampos stebėjimui ir relinei apsaugai, todėl tai idealus sprendimas šiuolaikiniams elektros tinklams ir pramoniniams tikslams.

Tipo žymėjimas

Sveiki atvykę (Wenzhou) Electric Co., Ltd JDZX9-35 įtampos transformatorius, modelyje yra pagrindinė struktūrinė ir naudojimo informacija, kurią galima lengvai išardyti ir suprasti:

Modelis JDZX9-35 atspindi pagrindines struktūrines ir funkcines charakteristikas:

J – įtampos transformatorius
D – vienfazė struktūra
Z – Epoksidinės dervos liejimo izoliacija
X – su liekamosios įtampos apvija (įžeminimo apsaugai)
9 – Dizaino eilės numeris
35 – Nominali įtampa: 35kV

Šis modelio pavadinimas tiesiogiai išryškina pagrindines JDZX9-35D/290 įtampos transformatoriaus savybes: sukurtas specialiai vidutinės įtampos elektros sistemoms, turi lietinės dervos izoliaciją, vienfazę struktūrą, taip pat gali būti aprūpintas liekamosios įtampos apvijomis, puikiai atitinkančiomis 35 kV sistemų naudojimo poreikius.

Paslaugos sąlygos

Norint užtikrinti stabilų ir ilgalaikį veikimą, JDZX9-35D/290 įtampos transformatorius turi būti naudojamas tokiomis sąlygomis:
Montavimas: naudoti tik lauke
Aplinkos temperatūra:
Maksimalus: +40°C
Mažiausia: -25°C
Vidutinė paros temperatūra ≤ 30°C
Aukštis: ≤ 1000 m (didesniam aukščiui reikalingas individualus dizainas)
Taršos lygis: tinka IV klasės aplinkai
Atmosfera: be didelių dulkių ar korozinių dujų

Techniniai duomenys

Tipas Vardinis įtampos santykis (V) Tikslumo klasės derinys Nominali išvestis (VA) Maksimali išvestis (VA) Vardinis izoliacijos lygis (kV)
JDZX9-35 35 000 / √ 3 / 100 / √ 3 / 100 / 3 0,2/6P 30/100 600 40,5/95/200
0,5/6P 50/100
JDZXF9-35 35 000 / √ 3 / 100 / √ 3 / 100 / √ 3 / 100 / 3 0,2/0,2/6P 20/20/100 2×300
0,2/0,5/6P 25/30/100
0,5/0,5/6P 30/30/100

Tinkinimo ir naudojimo gairės

Comewill, kaip patyręs Kinijos įtampos transformatorių tiekėjas, teikia lanksčias pritaikymo paslaugas:
Galimas pritaikytas įtampos santykis ir tikslumo klasė
Konkrečių projektų reikalavimams pritaikyti sprendimai
Nestandartinių dizainų palaikymas
Naudojimo pastabos:
Tiksliems matavimams vienu metu naudokite tik vieną įtampos santykį
Venkite tuo pačiu metu naudoti kelis santykius
Užsakydami pateikite išsamius parametrus, kad užtikrintumėte geriausią našumą

Taikymo scenarijai

JDZX9-35D/290 įtampos transformatorius plačiai naudojamas:
Elektros tinklų sistemos
Pastotės
Pramoninis elektros paskirstymas
Energijos apskaitos sistemos
Relinės apsaugos programos

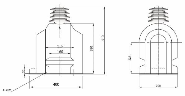
Montavimo kontūrai ir matmenys

DZX9-35KV įtampos transformatorių laidų prijungimo principai

Užsakymo informacija

Kad transformatorius puikiai atitiktų jūsų sistemos reikalavimus, nurodykite:

Įtampos santykis
Tikslumo klasė
Nominali galia
Specialūs reikalavimai (jei yra)

Siekdama pritaikytų sprendimų, Comewill techninė komanda yra pasirengusi teikti profesionalią pagalbą nuo projektavimo iki pristatymo, užtikrindama patikimą ir efektyvų jūsų elektros sistemos veikimą. Kviečiame susisiekti su mumis ir gauti pasiūlymą dabar!

Hot Tags: JDZX9-35D/290 įtampos transformatorius, Kinija, gamintojas, tiekėjas, gamykla, didmeninė prekyba, pritaikyta, sandėlyje, pagaminta Kinijoje, žema kaina, kokybė
Siųsti užklausą
Kontaktinė informacija
  • Adresas

    Nr.777 Wanweng Road, Wengyang seniūnija, Yueqing miestas, Vendžou miestas, Džedziango provincija, Kinija

Siųsti Comewill užklausą dėl skirstomųjų įrenginių, vakuuminių jungiklių, srovės transformatoriaus. Gaukite pritaikytas kainas, žemas kainas arba ekspertų palaikymą iš mūsų Kinijos gamyklos komandos.
X
Naudojame slapukus siekdami pasiūlyti geresnę naršymo patirtį, analizuoti svetainės srautą ir suasmeninti turinį. Naudodamiesi šia svetaine sutinkate su mūsų slapukų naudojimu. Privatumo politika
Atmesti Priimti