Produktai
PRADŽIA > Produktai
LMZJ1-0.5 srovės transformatorius
  • LMZJ1-0.5 srovės transformatoriusLMZJ1-0.5 srovės transformatorius
  • LMZJ1-0.5 srovės transformatoriusLMZJ1-0.5 srovės transformatorius
  • LMZJ1-0.5 srovės transformatoriusLMZJ1-0.5 srovės transformatorius

LMZJ1-0.5 srovės transformatorius

LMZJ1-0.5 srovės transformatorius yra perėjimo tipo šynų įrenginys, sukurtas specialiai patalpų kintamosios srovės grandinėms, pagamintas Comewill, profesionalaus gamintojo Kinijoje. Šis gaminys yra specialiai sukurtas sistemoms, kurių vardinė įtampa ≤ 0,5 kV ir 50 Hz dažnis. Tai yra pagrindinė srovės matavimo, energijos matavimo ir relės apsaugos dalis žemos įtampos galios įrenginiuose ir labai tinka masiniam pirkimui pramoniniuose ir komerciniuose projektuose.

Kaip profesionalus gamintojas Kinijoje, „Comewill“ norėtų pateikti jums pritaikytą LMZJ1-0.5 srovės transformatorių, kuris yra patobulintas naudojant dervos izoliacijos liejimo technologiją ir pritaikytas fiksuoto pagrindo plokštės montavimo režimui. Dėl geresnio veikimo stabilumo ir ilgalaikio patvarumo pirkimo partnerių priežiūros išlaidos sutaupo nuo pat pradžių. Jame pateikiamos kelios itin tikslios 0,2, 0,5, 0,2 s ir 0,5 s pavaros parinktys, kurios lengvai patenkina skirtingus taikymo poreikius įvairiais scenarijais.

Dėl kompaktiškos konstrukcijos montavimas ir diegimas tampa lankstesni, o dvigubas aukščiausio lygio saugos konfigūracijos palaikymas ir itin ilgas tarnavimo laikas daro LMZJ1-0.5 srovės transformatorių patikimu pasirinkimu perkant šiuolaikines žemos įtampos sistemas. Verta paminėti, kad šis žemos įtampos transformatorius pasižymi puikiu atsparumu aukštai temperatūrai ir taršai, gali išlaikyti stabilų veikimą net ir atšiaurioje aplinkoje, maksimaliai padidindamas kiekvienos pirkimo investicijos vertę.

Produkto struktūra

LMZJ1-0,5 srovės transformatoriaus šerdis yra apvali geležinė šerdis, pagaminta iš šalto valcavimo orientuoto silicio plieno lakštų – ši tiksli apvijos konstrukcija yra raktas į maksimalų magnetinį efektyvumą ir pagrindą patikimam veikimui.
Antrinė apvija yra tolygiai apvyniota aplink šią apskritą geležinę šerdį, kuri yra kruopščiai suprojektuota konstrukcija, užtikrinanti pastovų veikimą visomis darbo sąlygomis ir pašalinanti netolygias išvesties problemas.
Centrinis langas eina per gaminio vidurį ir yra skirtas sklandžiai sujungti šynas, o tvirtas pagrindas apačioje užtikrina saugesnį ir stabilesnį gaminio montavimo tašką, todėl jį lengva montuoti.
Visas komponentas yra išlietas iš nesočiosios dervos izoliacinės medžiagos. Šis tvirtas korpusas ne tik padidina ilgaamžiškumą, bet ir padidina saugumą bei apsaugo vidinius komponentus nuo aplinkos spaudimo, todėl transformatorius yra atsparus įvairiose darbo aplinkose.

Parametras

Elektrinis parametras Mechaninis parametras
Dažnis 50/60 Hz Byla PC/UL94-V0
Vardinė įvestis 5A-5000A Ritė PBT
Matavimo diapazonas 5 %–120 % Šerdis Silicio plienas
Vardinė galia 1A,5A Statyba Varžtas
Santykis Įtampa 0,72 KV (kintamoji srovė) Darbinė temp -25℃~+75℃
Dielektrinis stiprumas 3.0KV/1mA/1min Darbinė drėgmė ≤85 %
Izoliacijos atsparumas DC500V/100MΩ min Išvesties jungtis Terminalas
Modelis Pirminis / Antrinis Šynos angos matmenys (mm) Nominali našta (VA) Tikslumo klasė Nominali įtampa
LMZJ1-0,5 30 5/5A ~ 300/5A ø = 31 mm 2,5 ~ 5 0,2S 0,5S 0,5 0,72 KV (kintamoji srovė)
LMZJ1-0,5 35 5/5A ~ 300/5A ø = 35 mm 2,5 ~ 5 0,2S 0,5S 0,5 0,72 KV (kintamoji srovė)
LMZJ1-0,5 40 200/5A ~ 500/5A ø = 42 mm 5 0,2S 0,5S 0,5 0,72 KV (kintamoji srovė)
LMZJ1-0,5 50 400/5A ~ 600/5A ø = 56 mm 5 0,2S 0,5S 0,5 0,72 KV (kintamoji srovė)
LMZJ1-0,5 80 750/5A ~ 1200/5A ø = 83 mm 10-20 0,2S 0,5S 0,5 0,72 KV (kintamoji srovė)
LMZJ1-0,5 100 800/5A ~ 2000/5A ø = 102 mm 10-30 0,2S 0,5S 0,5 0,72 KV (kintamoji srovė)
LMZJ1-0,5 140 2000/5A ~ 4000/5A ø = 142 mm 15-30 0,2S 0,5S 0,5 0,72 KV (kintamoji srovė)
LMZJ1-0,5 180 5000/5A ~ 6000/5A ø = 182 mm 15-30 0,2S 0,5S 0,5 0,72 KV (kintamoji srovė)

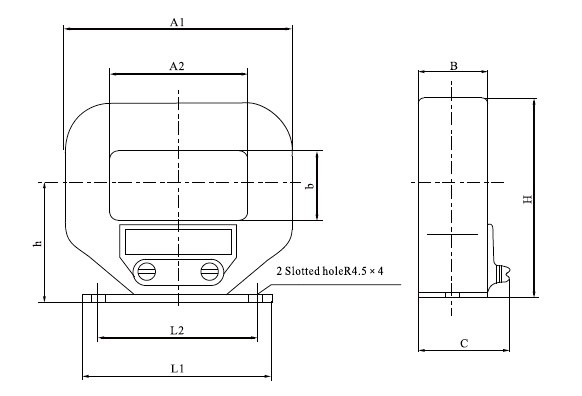
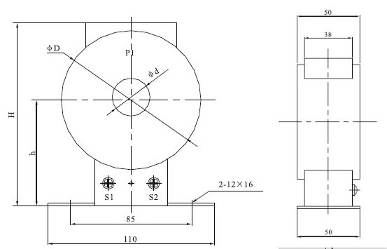
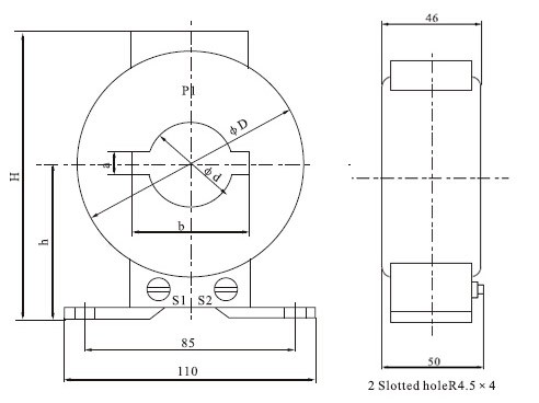
Montavimo kontūrai ir matmenys

Tipas Dabartinis santykis H h φD φd
LMZ1-0,5 5-300/5 117 68 90 30
Tipas Dabartinis santykis H h φD φd a b
LMZJ1-0,5 5-300/5 118 70 91 32 10 41
400-600/5 128 75 97 43 12 52
Tipas Dabartinis santykis A1 A2 B h H L1 L2 C b
LMZJ1-0,5 1000/51200/51500/5 172 104 30 80 140 156 123 41 50
2000/53000/5 216 140 42 102 182 175 150 46 70
4000/55000/5 238 150 55 117 220 230 180 60 94
Hot Tags: LMZJ1-0.5 srovės transformatorius, Kinija, gamintojas, tiekėjas, gamykla, didmeninė prekyba, pritaikytas, sandėlyje, pagamintas Kinijoje, žema kaina, kokybė
Siųsti užklausą
Kontaktinė informacija
  • Adresas

    Nr.777 Wanweng Road, Wengyang seniūnija, Yueqing miestas, Vendžou miestas, Džedziango provincija, Kinija

Siųsti Comewill užklausą dėl skirstomųjų įrenginių, vakuuminių jungiklių, srovės transformatoriaus. Gaukite pritaikytas kainas, žemas kainas arba ekspertų palaikymą iš mūsų Kinijos gamyklos komandos.
X
Naudojame slapukus siekdami pasiūlyti geresnę naršymo patirtį, analizuoti svetainės srautą ir suasmeninti turinį. Naudodamiesi šia svetaine sutinkate su mūsų slapukų naudojimu. Privatumo politika
Atmesti Priimti